Beton til beton

Tilslutningselement, der adskiller ydreliggende betondele termisk fra indvendig betonkonstruktion.

Isokorb® IDock

Innovation med dokumenteret Isokorb® teknologi

Med Schöck Isokorb® IDock er det nu muligt at eftermontere balkoner på allerede støbte dæk. Herved skabes der helt nye muligheder i byggeprocesserne for både planlæggere, entreprenører og betonelementindustrien. Schöck Isokorb® IDock er en innovativ løsning, som er et resultat af mange års erfaring fra installation af Schöck® kuldebrobrydere. Denne lette eftermontering resulterer i store effektivitets- og omkostningsmæssige fordele.

Der findes flere forskellige typer Isokorb® type KXT og QXT 80 og 120 mm isolering, som kan anvendes i kombination med IDock® – kontakt os og vi vil være behjælpelige med at finde den rigtige løsning og type.

 

Isokorb® IDock er ikke underlagt en harmoniseret standard og skal derfor ikke CE-mærkes ifølge byggevareforordningen Nr. 305/2011.

Schöck Isokorb® IDock består af 3 dele:

Schöck IDock® Endeelement

Endeelement

Endeelementet anvendes til at placere receselementet i forskallingen, som skaber afstand mellem dækket og Schöck Isokorb® IDock.

Schöck IDock® Receselement

Receselement

Receselementet agerer som form til recesserne. Elementet placeres direkte på armeringen før støbning. Efter betondækket er støbt fjernes receselementet, som derved har dannet recesserne.

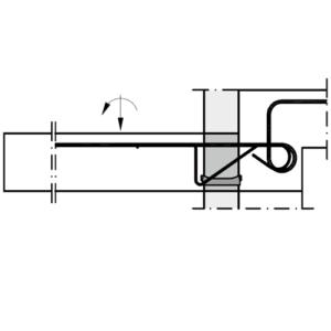
Schöck Isokorb® Type K

Schöck Isokorb®

Schöck Isokorb® elementet bliver indstøbt i balkonen på fabrik. Balkonelementet monteres ved at indstøbe den frie armering direkte i recesserne på byggepladsen.

Montage af receselement:

Indsættelse af ende- og receselementet i armeringen.

Støbning af dæk og efterfølgende hærdning

Præfabrikeret balkon med indstøbt Schöck Isokorb® IDock placeres i recessen.

Recessen efterfyldes med mørtel og skal derefter hærde.

Kuldebrobryderne fra Isokorb® er bærende varmeisoleringselementer til termisk adskillelse af udkragede byggekomponenter.

Isokorb® XT

Isokorb® kuldebrobrydere er HauCons tekniske hovedprodukt. Det er et bærende isoleringselement som minimerer termiske kuldebroer på store udkragninger, såsom balkoner, altaner og udhæng.

Der findes mange forskellige standardtyper og løsninger til brug i beton- og stålkonstruktioner. Schöck er den førende specialist inden for denne kategori – både til nybyggeri og renoveringsprojekter, og det er herfra vi forhandler de tekniske løsninger. Isokorb® kuldebrobrydere er gennemtestede løsninger, som kontinuerligt videreudvikles, så de bliver ved med at definere den nyeste tekniske standard. HauCons dygtige ingeniører hjælper altid med beregninger og generel teknisk rådgivning omkring Isokorb® kuldebrobrydere.

Isokorb® Type EQXT

Isokorb® Type EQXT findes i to versioner: originalmodellen med 80 mm isolering og XT-udgaven 120 mm.

Isokorb® Type XT er den seneste generation af Schöck Isokorb® med 120 mm Neopor® isolering. Isokorb® XT modellerne isolerer varme og trinlyd gennemsnitlig 50% bedre end originalmodellerne.

En supplerende element type. Til normalkræfter og positivt moment.

Kan kun anvendes i forbindelse med Isokorb® type KXT, QXT og DXT.

Dokumentation:

Teknisk Information EQXT (EN)

Teknisk Information XT (Beton-Beton) (EN)

Varmeledningsevne XT (Beton-Beton) (EN)

Brandbeskyttelse XT (Beton-Beton) (EN)


Software:
Dimensioneringssoftware (4,2MB)

Links:

Konverteringsværktøj

CAD-bibliotek

 

Isokorb® IDock er ikke underlagt en harmoniseret standard og skal derfor ikke CE-mærkes ifølge byggevareforordningen Nr. 305/2011.

Type EQXT 120 mm

Type EQ 80 mm

Dokumentation:

Teknisk Information HPXT (EN)

Teknisk Information XT (Beton-Beton) (EN)

Varmeledningsevne XT (Beton-Beton) (EN)

Brandbeskyttelse XT (Beton-Beton) (EN)

Software:

Dimensioneringssoftware (4,2MB)

Links:

Konverteringsværktøj

CAD-bibliotek

 

Isokorb® Type HPXT er ikke underlagt en harmoniseret standard og skal derfor ikke CE-mærkes ifølge byggevareforordningen Nr. 305/2011.

Isokorb® Type HPXT

Isokorb® – Type HPXT findes i to versioner: originalmodellen med 80 mm isolering og XT-udgaven 120 mm.

Isokorb® Type XT er den seneste generation af Schöck Isokorb® med 120 mm Neopor® isolering. Isokorb® XT modellerne isolerer varme og trinlyd gennemsnitlig 50% bedre end originalmodellerne.

Til forskydningspåvirkede forbindelser.

  • Isokorb® type HPXT-A overfører kræfter parallelt med isoleringen.
  • Isokorb® type HPXT-B overfører kræfter vinkelret på isoleringen.
  • Isokorb® type HPXT-C overfører kræfter både parallelt og vinkelret på isoleringen.
  • Isokorb® type HPXT-A og HPXT-B er en supplementstype og kan kun anvendes i forbindelse med en Isokorb® type KXT, QXT eller DXT.

Type HP 80 mm

Type HPXT 120mm

Isokorb® Type KXT-BH

Isokorb® Type KXT-BH findes i to versioner: originalmodellen med 80 mm isolering og XT-udgaven 120 mm.

Isokorb® Type XT er den seneste generation af Schöck Isokorb® med 120 mm Neopor® isolering. Isokorb® XT modellerne isolerer varme og trinlyd gennemsnitlig 50% bedre end originalmodellerne.

Til udkragede balkon med niveauspring ned.
Til moment- og forskydningspåvirket forbindelse.

Til højtliggende balkon med niveauspring ned til etageadskillelse.

Type KXT-BH 120 mm

Type K-BH 120mm

Isokorb® Type KXT-HV

Isokorb® – Type KXT-HV findes i to versioner: originalmodellen med 80 mm isolering og XT-udgaven 120 mm.

Isokorb® Type XT er den seneste generation af Schöck Isokorb® med 120 mm Neopor® isolering. Isokorb® XT modellerne isolerer varme og trinlyd gennemsnitlig 50% bedre end originalmodellerne.

Til udkragede balkon med niveauspring op.
Til moment- og forskydningspåvirket forbindelse.

Til lavtliggende balkon med niveauspring op til etageadskillelse.

Type KXT-HV 120 mm

Type K-HV 80mm

Isokorb® Type KXT-WO

Isokorb® Type KXT-WO findes i to versioner: originalmodellen med 80 mm isolering og XT-udgaven 120 mm.

Isokorb® Type XT er den seneste generation af Schöck Isokorb® med 120 mm Neopor® isolering. Isokorb® XT modellerne isolerer varme og trinlyd gennemsnitlig 50% bedre end originalmodellerne.

Til udkragede balkon med væg-forbindelse opad.
Til moment- og forskydningspåvirket forbindelse.

Type KXT-WO 120 mm

Type K-WO 80mm

Isokorb® Type KXT-WU

Isokorb® Type KXT-WU findes i to versioner: originalmodellen med 80 mm isolering og XT-udgaven 120 mm.

Isokorb® Type XT er den seneste generation af Schöck Isokorb® med 120 mm Neopor® isolering. Isokorb® XT modellerne isolerer varme og trinlyd gennemsnitlig 50% bedre end originalmodellerne.

Til udkragede balkon med væg-forbindelse nedad.
Til moment- og forskydningspåvirket forbindelse.

Type K-WU 120 mm

Type KXT-WU 80mm

Isokorb® Type QXT

Isokorb® Type QXT findes i to versioner: originalmodellen med 80 mm isolering og XT-udgaven 120 mm.

Isokorb® Type XT er den seneste generation af Schöck Isokorb® med 120 mm Neopor® isolering. Isokorb® XT modellerne isolerer varme og trinlyd gennemsnitlig 50% bedre end originalmodellerne.

Til understøttede balkoner.
Til forskydningspåvirket forbindelser.

  • QXT Til positiv forskydningspåvirket forbindelser.
  • QXT+QXT Til positiv og negativ forskydningspåvirkede forbindelser.
  • QZXT Til forbindelser hvor udvidelsen af betonen skal ske uden øgede spændinger.

Isokorb® type QZXT er uden tryklejer og skal placeres på modsatte side af balkonen end en type QXT som er med tryklejer.

  • Adskiller yderliggende betondele termisk fra indvendig betonkonstruktion
  • Reducerer varmetabet til et minimum ved hjælp af tryklejeteknologien (HTE-modul)
  • Sikrer bevægelsesfrihed på grund af betontryklejets kunststofovertræk
  • Bidrager til en reducering af varmeudgifter
  • Let montering på grund af niveauintegrerede HTE-moduler

Q(XT)

Q(XT)+Q(XT)

Type QXT

Type Q

Isokorb® XT Type A

Isokorb® T Type A er udgået og er erstattet af Isokorb® XT Type A med 120 mm isolering.

Til rækværker og brystninger

  • Til forskydnings- og momentpåvirket forbindelse.
  • Adskiller yderliggende betondele termisk fra indvendig betonkonstruktion
  • Bidrager til en reducering af varmeudgifter

Isokorb® XT Type B

Tidligere navn: Isokorb® Type SXT

Type B findes i to versioner:

  • T-udgaven med 80 mm isolering (Isokorb T Type B)
  • XT-udgaven med 120 mm isolering (Isokorb XT type B)

Isokorb® XT er den seneste generation af Schöck Isokorb® med 120 mm Neopor® isolering. Isokorb® XT modellerne isolerer varme og trinlyd gennemsnitlig 50% bedre end originalmodellerne.

Udkragede bjælker.
Til forskydnings- og momentpåvirket forbindelse.

  • Adskiller yderliggende betondele termisk fra indvendig betonkonstruktion
  • Bidrager til en reducering af varmeudgifter

Dokumentation:

Teknisk Information SXT (EN)

Teknisk Information XT (Beton-Beton) (EN)

Varmeledningsevne XT (Beton-Beton) (EN)

Software:

Dimensioneringssoftware (4,2MB)

Links:

Konverteringsværktøj

CAD-bibliotek

 

Isokorb® XT Type B er ikke underlagt en harmoniseret standard og skal derfor ikke CE-mærkes ifølge byggevareforordningen Nr. 305/2011.

Type B 120mm

Type B 80mm

Isokorb® XT Type D

Tidligere navn: Isokorb® DXT

  • T-udgaven med 80 mm isolering (Isokorb® T Type D)
  • XT-udgaven med 120 mm isolering (Isokorb® XT Type D)

Isokorb® Type XT findes i to versioner: originalmodellen med 80 mm isolering og XT-udgaven med 120 mm isolering .

Isokorb® Type XT er den seneste generation af Schöck Isokorb® med 120 mm Neopor® isolering. Isokorb® XT modellerne isolerer varme og trinlyd gennemsnitlig 50% bedre end originalmodellerne.

Til gennemløbende dæk.
Til positiv og negativ forskydnings- og momentpåvirket forbindelse.

  • Adskiller yderliggende betondele termisk fra indvendig betonkonstruktion
  • Bidrager til en reducering af varmeudgifter

Type DXT 120 mm

Type D 80mm

Isokorb® XT Type F

Isokorb® T Type F er udgået og er erstattet af Isokorb® XT Type F med 120 mm isolering.

Til Udvendig brystning.
Til forskydnings- og momentpåvirket forbindelse.

  • Adskiller yderliggende betondele termisk fra indvendig betonkonstruktion
  • Bidrager til en reducering af varmeudgifter

Isokorb® Type K

Isokorb® Type K findes i to versioner:

  • T-udgaven med 80 mm isolering (Isokorb® T Type K)
  • XT-udgaven med 120 mm isolering (Isokorb® XT Type K)

Isokorb® XT er den seneste generation af Schöck Isokorb® med 120 mm Neopor® isolering. Isokorb® XT modellerne isolerer varme og trinlyd gennemsnitlig 50% bedre end originalmodellerne.

Til frithængende balkoner.
Til forskydnings- og momentpåvirket forbindelse.

  • Adskiller yderliggende betondele termisk fra indvendig betonkonstruktion
  • Reducerer varmetabet til et minimum ved hjælp af tryklejeteknologien (HTE-modul)
  • Sikrer bevægelsesfrihed på grund af betontryklejets kunststofovertræk
  • Bidrager til en reducering af varmeudgifter
  • Let montering på grund af niveauintegrerede HTE-moduler

Type KXT 120 mm

Type K 80 mm

Isokorb® XT Type O

Isokorb® T Type O er udgået og er erstattet af Isokorb® XT Type O med 120 mm isolering.

Til konsol.
Til normal- og forskydningspåvirket forbindelse.

  • Adskiller yderliggende betondele termisk fra indvendig betonkonstruktion
  • Bidrager til en reducering af varmeudgifter

Dokumentation:

Teknisk Information WXT (EN)

Teknisk Information XT (Beton-Beton) (EN)

Varmeledningsevne XT (Beton-Beton) (EN)

Brandbeskyttelse XT (Beton-Beton) (EN)

Software:

Dimensioneringssoftware (4,2MB)

Links:

Konverteringsværktøj

CAD-bibliotek

 

Isokorb® XT Type W er ikke underlagt en harmoniseret standard og skal derfor ikke CE-mærkes ifølge byggevareforordningen Nr. 305/2011.

Isokorb® XT Type W

Isokorb® XT Type W (Tidligere navn: Isokorb® Type WXT) findes i to versioner:

  • T-udgaven med 80 mm isolering (Isokorb® T Type W)
  • XT-udgaven med 120 mm isolering (Isokorb® XT Type W)

Isokorb® Type XT er den seneste generation af Schöck Isokorb® med 120 mm Neopor® isolering. Isokorb® XT modellerne isolerer varme og trinlyd gennemsnitlig 50% bedre end originalmodellerne.

Til vægforbindelser.
Til forskydnings- og momentpåvirket forbindelse.

  • Adskiller yderliggende betondele termisk fra indvendig betonkonstruktion
  • Bidrager til en reducering af varmeudgifter

Type WXT 120 mm

Type W 80 mm

Isokorb® XT Type Z

Type Z findes i to versioner:

  • T-udgaven med 80 mm isolering (Isokorb T Type Z)
  • XT-udgaven med 120 mm isolering (Isokorb XT type Z)

Isokorb® XT er den seneste generation af Schöck Isokorb® med 120 mm Neopor® isolering. Isokorb® XT modellerne isolerer varme og trinlyd gennemsnitlig 50% bedre end originalmodellerne.

Isoleringsmellemstykke.
Til forskellige installationssituationer og hvor der er krav til brandsikringskrav.

Isokorb® Type Z kan ikke overføre kræfter.

Dokumentation:

Teknisk Information ZXT (EN)

Teknisk Information XT (Beton-Beton) (EN)

Varmeledningsevne XT (Beton-Beton) (EN)

Brandbeskyttelse XT (Beton-Beton) (EN)

Software:

Dimensioneringssoftware (4,2MB)

Links:

Konverteringsværktøj

CAD-bibliotek

 

Isokorb® XT Type Z er ikke underlagt en harmoniseret standard og skal derfor ikke CE-mærkes ifølge byggevareforordningen Nr. 305/2011.

Ved at klikke på ‘Accepter alle’ giver du samtykke til, at vi kan indsamle oplysninger om dig til forskellige formål, herunder: Statistik og Markedsføring.